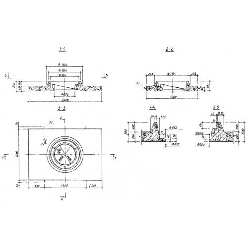
ОП 7 опорная плита

Чертеж изделия:
Характеристики изделия:
ПараметрЗначение
длина2300 мм
ширина1600 мм
высота300 мм
масса1320 кг
нормативный документАльбом РК 2201-82

ОП 7  Опорные плиты Альбом РК 2201-82.