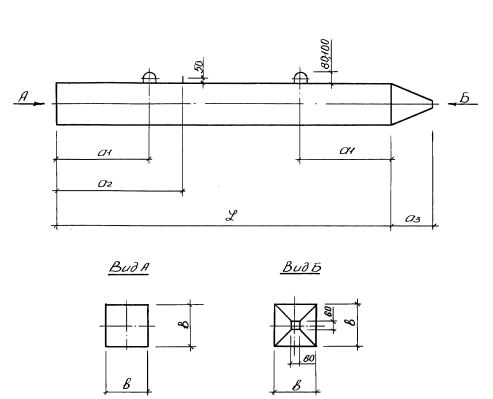
С 50-15-3

Чертеж изделия:
Характеристики изделия:
ПараметрЗначение
длина5000 мм
ширина150 мм
высота150 мм
масса275 кг
нормативный документГОСТ 19804-2012

С 50-15-3 Сваи цельные сплошного квадратного сечения по ГОСТ 19804-2012.