ВП 22

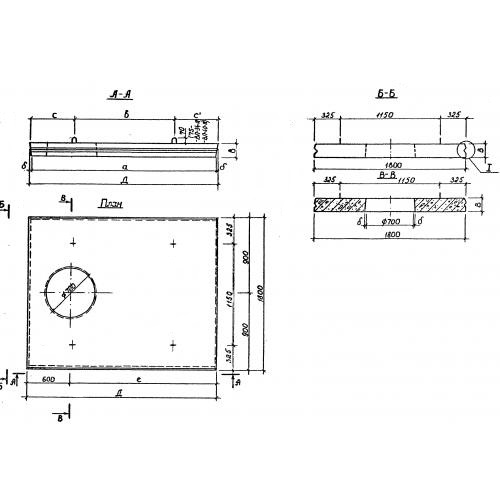
Чертеж изделия:
Характеристики изделия:
ПараметрЗначение
длина2210 мм
ширина1800 мм
высота160 мм
масса1575 кг
нормативный документАльбом РК 2303-86

ВП 22  Верхняя плита (плита перекрытия)  Альбом РК 2303-86.