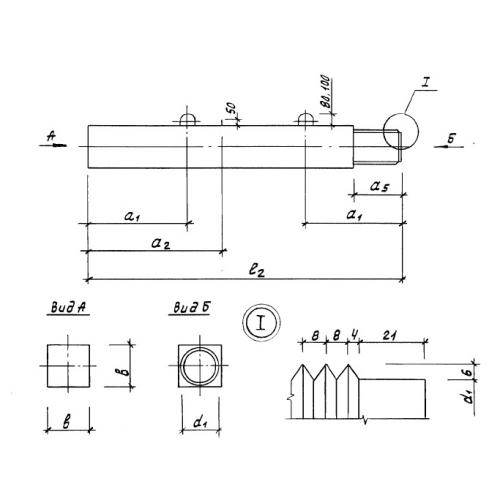
С 13-40

Чертеж изделия:
Характеристики изделия:
ПараметрЗначение
длина13000 мм
ширина400 мм
высота400 мм
вес5150 кг
серия1.011.1-7

С 13-40 Сваи составные верхние  квадратного сплошного сечения по серии 1.011.1-7.