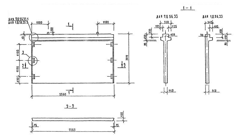
1Д 56.33 диафрагмы жесткости

Чертеж изделия:
Характеристики изделия:
ПараметрЗначение
длина5560 мм
ширина345 мм
высота3270 мм
масса7300 кг
нормативный документСерия 1.020-1/87

1Д 56.33   Диафрагмы жесткости с одной полкой Серия 1.020-1/87.