1Д 29.17

Чертеж изделия:
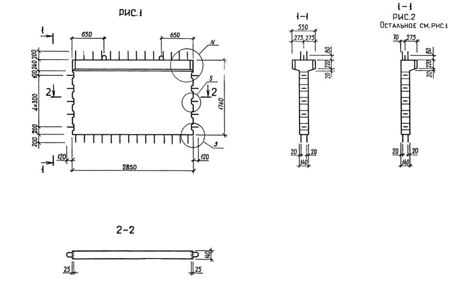
Характеристики изделия:
ПараметрЗначение
длина3090 мм
ширина345 мм
высота2140 мм
масса2100 кг
нормативный документСерия 1.020.1-3пв

1Д 29.17  Диафрагмы жесткости с одной полкой Серия 1.020.1-3пв.