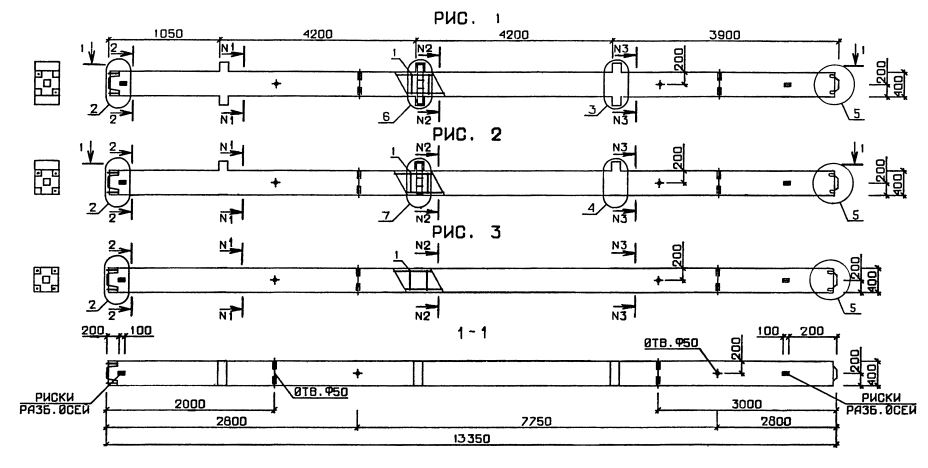
3КНД 4.42

Чертеж изделия:
Характеристики изделия:
ПараметрЗначение
длина13350 мм
ширина400 мм
высота700 мм
масса6650 кг
нормативный документСерия 1.020.1-3пв

3КНД 4.42  Колонны нижние двухконсольные Серия 1.020.1-3пв.