3КО 3.33
Характеристики изделия:
| Параметр | Значение |
|---|---|
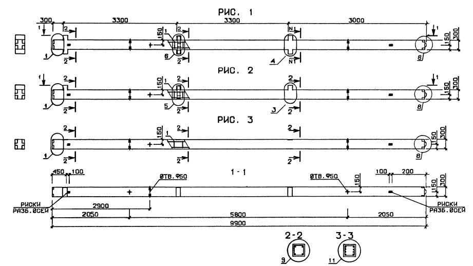
| длина | 9900 мм |
| ширина | 300 мм |
| высота | 450 мм |
| масса | 2380 кг |
| нормативный документ | Серия 1.020.1-3пв |
Цена:
Рассчитать стоимость3КО 3.33 Колонны одноконсольные Серия 1.020.1-3пв.
| Параметр | Значение |
|---|---|
| длина | 9900 мм |
| ширина | 300 мм |
| высота | 450 мм |
| масса | 2380 кг |
| нормативный документ | Серия 1.020.1-3пв |
3КО 3.33 Колонны одноконсольные Серия 1.020.1-3пв.