4К 3.33

Чертеж изделия:
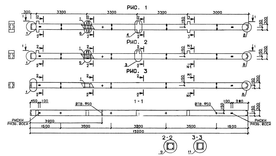
Характеристики изделия:
ПараметрЗначение
длина13200 мм
ширина300 мм
высота300 мм
масса3100 кг
нормативный документСерия 1.020.1-3пв

4К 3.33  Колонны Серия 1.020.1-3пв.