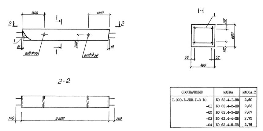
БО 62.4

Чертеж изделия:
Характеристики изделия:
ПараметрЗначение
длина6480 мм
ширина400 мм
высота400 мм
масса2760 кг
нормативный документСерия 1.020.1-3пв

БО 62.4  Балки обвязочные Серия 1.020.1-3пв.