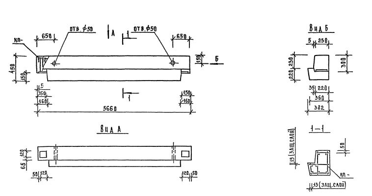
РЛП 4.57 ригели
Характеристики изделия:
| Параметр | Значение |
|---|---|
| длина | 5660 мм |
| ширина | 382 мм |
| высота | 450 мм |
| масса | 1920 кг |
| нормативный документ | Серия 1.020.1-7 |
Цена:
Рассчитать стоимостьРЛП 4.57 Ригели (оснащённые единственной полкой, устанавливаются на лестничных площадках) Серия 1.020.1-7.
