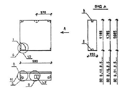
ПС 6.21.2.5 панели стеновые

Чертеж изделия:
Характеристики изделия:
ПараметрЗначение
длина580 мм
ширина250 мм
высота2085 мм
масса420 кг
нормативный документСерия 1.030.1-1/88

ПС 6.21.2.5  Панели стеновые Серия 1.030.1-1/88.