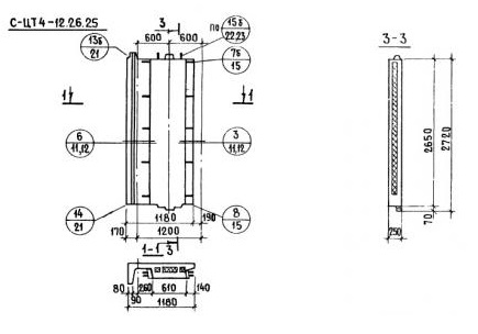
СЦТ4л-12.26.25

Чертеж изделия:
Характеристики изделия:
ПараметрЗначение
длина1180 мм
ширина250 мм
высота2720 мм
масса1340 кг
нормативный документСерия 1.117-12с

Панели стеновые цокольные СЦТ4л-12.26.25  (Серия 1.117-12с).

Панели с толщиной внутреннего несущего слоя 120 и 160 мм.

С - для сейсмических районов.

Ц - тип конструкции- наружная цокольная стеновая панель.

Т - тип в плане здания ( Р - рядовая, Т - торцевая).

4 - группа по характеру применения.

Цифровое обозначение (записаны через точку) - габариты изделия (длина, высота, толщина) в дециметрах.

"Л" - характеризует зеркальность панели.