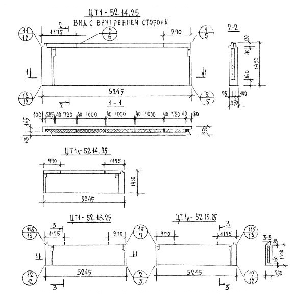
ЦТ1л-52.13.25

Чертеж изделия:
Характеристики изделия:
ПараметрЗначение
длина5245 мм
ширина250 мм
высота1300 мм
масса3210 кг
нормативный документСерия 1.117-9

Серия 1.117-9    Панели групп ЦТ1 и ЦТ2  толщиной 250 мм.

Ц - наружная цокольная стеновая панель;

Т1- группа изделия- торцевая, группа 1;

Числа после тире характеризуют геометрические размеры цокольной панели (длина, высота - в дециметрах с округлением, толщина - в см).

В несимметричных изделиях правая панель маркировки не имеет, в маркировке "левой" панели проставляется буква "л".