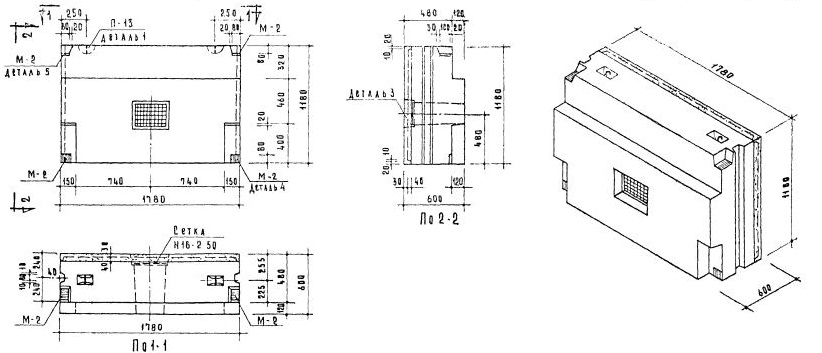
НБП-18.12.6

Чертеж изделия:
Характеристики изделия:
ПараметрЗначение
Длина1780 мм
Ширина600 мм
Высота1180 мм
Масса2185 кг
Нормативный документСерия 1.133-1

Стеновые легкобетонные блоки толщиной 60 см по Серии 1.133-1.

НБП-18.12.6  Парапетный блок.