1ПР 20

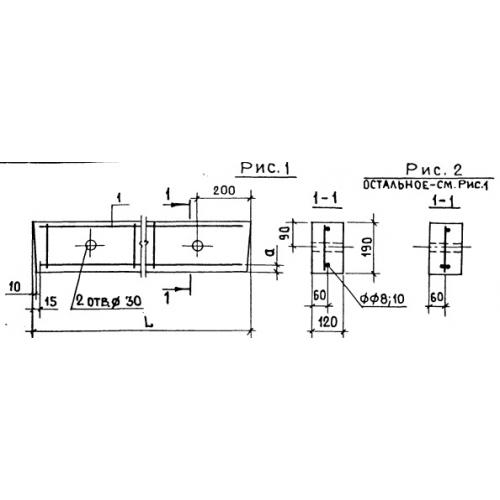
Чертеж изделия:
Характеристики изделия:
ПараметрЗначение
длина2070 мм
ширина120 мм
высота190 мм
вес120 кг
серия1.138-10

1ПР 20 Перемычки брусковые по серии 1.138-10.