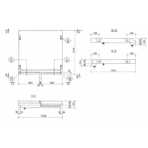
ЛП-22.21

Чертеж изделия:
Характеристики изделия:
ПараметрЗначение
длина2200 мм
ширина2100 мм
высота320 мм
вес2490 кг
серия1.152-7

ЛП-22.21 Лестничные площадки ребристые по серии 1.152-7.