2Р 38.4.5

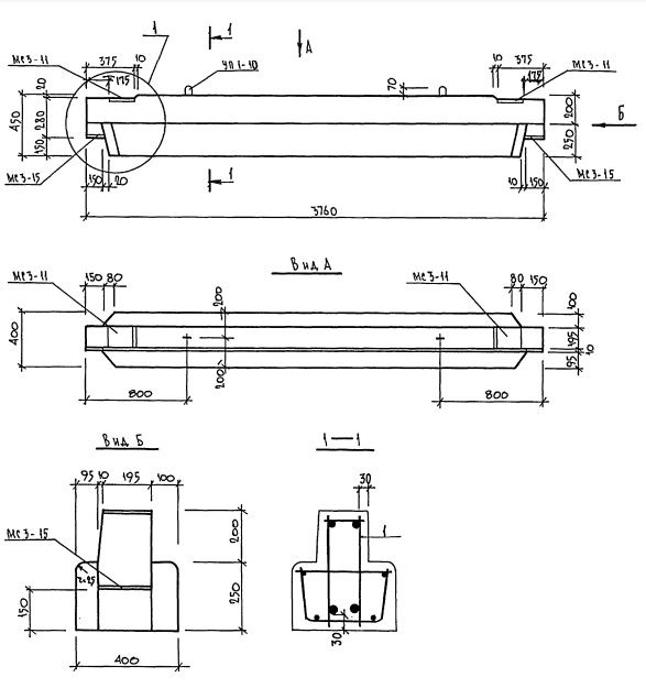
Чертеж изделия:
Характеристики изделия:
ПараметрЗначение
длина3760 мм
ширина400 мм
высота450 мм
масса1250 кг
нормативный документСерия 1.225.1 КЛ-3

2Р 38.4.5  Ригели Серия 1.225.1 КЛ-3.