К колонны

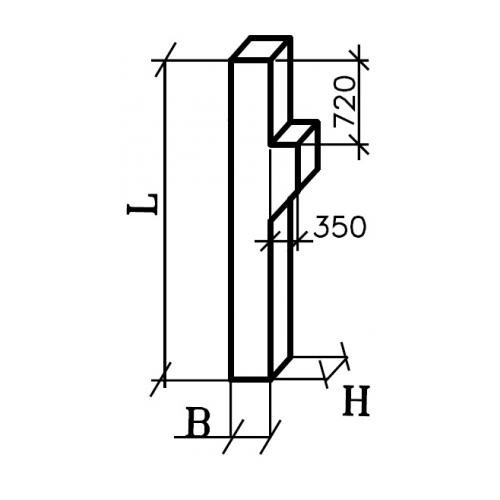
Чертеж изделия:
Характеристики изделия:
ПараметрЗначение
длина3720 мм
ширина400 мм
высота400 мм
масса1600 кг
нормативный документСерия 1.420-12

К  Колонны Серия 1.420-12.