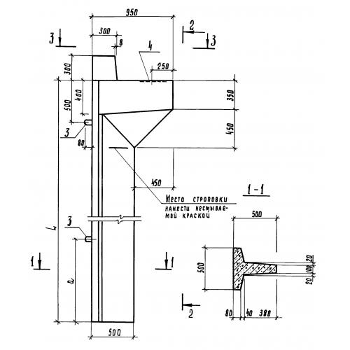
СВТ 40.5
Характеристики изделия:
| Параметр | Значение |
|---|---|
| длина | 4000 мм |
| ширина | 950 мм |
| высота | 500 мм |
| вес | 1480 кг |
| серия | 1.820.9-1 |
Цена:
Рассчитать стоимостьСВТ 40.5 Сваи таврового сечения по серии 1.820.9-1.
| Параметр | Значение |
|---|---|
| длина | 4000 мм |
| ширина | 950 мм |
| высота | 500 мм |
| вес | 1480 кг |
| серия | 1.820.9-1 |
СВТ 40.5 Сваи таврового сечения по серии 1.820.9-1.
