Р 21

Чертеж изделия:
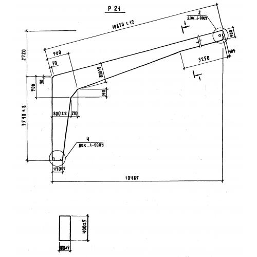
Характеристики изделия:
ПараметрЗначение
длина10830 мм
ширина180 мм
высота6260 мм
вес3360 кг
серия1.822.1-5

Р 21Полурамы составные по серии 1.822.1-5.