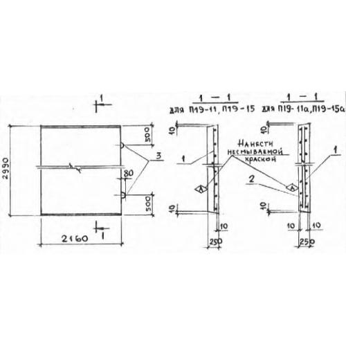
П 19/2 плиты лотков

Чертеж изделия:
Характеристики изделия:
ПараметрЗначение
длина1495 мм
ширина2160 мм
высота250 мм
масса2020 кг
нормативный документСерия 3.006.1-2/87

П 19/2 Плиты перекрытия лотков Серия 3.006.1-2/87.