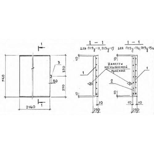
П 19 д плиты лотков
Характеристики изделия:
| Параметр | Значение |
|---|---|
| длина | 740 мм |
| ширина | 2160 мм |
| высота | 250 мм |
| масса | 1000 кг |
| нормативный документ | Серия 3.006.1-2/87 |
Цена:
Рассчитать стоимостьП 19д Плиты перекрытия лотков доборные Серия 3.006.1-2/87.
| Параметр | Значение |
|---|---|
| длина | 740 мм |
| ширина | 2160 мм |
| высота | 250 мм |
| масса | 1000 кг |
| нормативный документ | Серия 3.006.1-2/87 |
П 19д Плиты перекрытия лотков доборные Серия 3.006.1-2/87.
