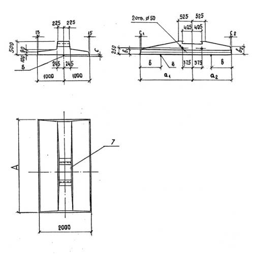
П 2-3.0 Плита

Чертеж изделия:
Характеристики изделия:
ПараметрЗначение
длина3000 мм
ширина2000 мм
высота500 мм
масса3020 кг
нормативный докуентСерия 3.407.1-144

П 2-3.0 Плиты фундаментов по Серии 3.407.1-144.