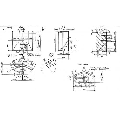
2К 9.15

Чертеж изделия:
Характеристики изделия:
ПараметрЗначение
длина1640 мм
ширина800 мм
высота1500 мм
вес3000 кг
серия3.501.1-150

2К 9.15 Блоки контурные переходные по серии 3.501.1-150.