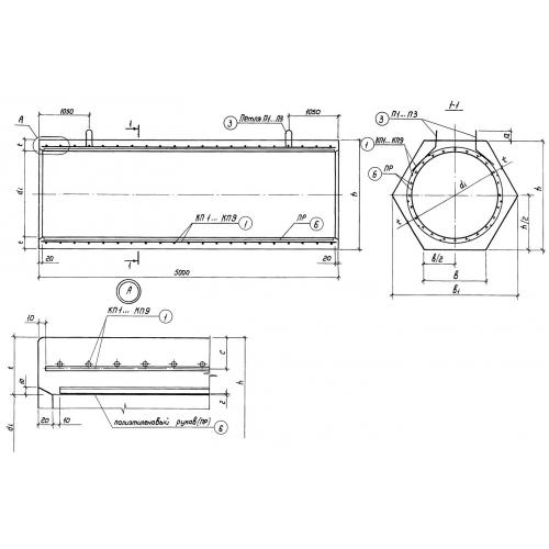
ТНП 40.50

Чертеж изделия:
Характеристики изделия:
ПараметрЗначение
длина5000 мм
ширина600 мм
высота520 мм
вес1350 кг
серия3.802.1-76

ТНП 40.50 Трубы напорные с полимерным покрытием по серии 3.802.1-76.