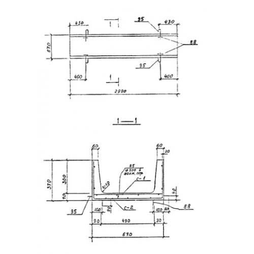
КН-0
Характеристики изделия:
| Параметр | Значение |
|---|---|
| длина | 2990 мм |
| ширина | 670 мм |
| высота | 370 мм |
| масса | 700 кг |
| нормативный документ | Серия 3.903 КЛ-14 |
Цена:
Рассчитать стоимостьКН-0 Каналы непроходные по Серии 3.903 КЛ-14.
| Параметр | Значение |
|---|---|
| длина | 2990 мм |
| ширина | 670 мм |
| высота | 370 мм |
| масса | 700 кг |
| нормативный документ | Серия 3.903 КЛ-14 |
КН-0 Каналы непроходные по Серии 3.903 КЛ-14.
