КН-2

Чертеж изделия:
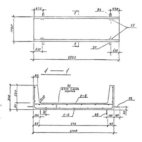
Характеристики изделия:
ПараметрЗначение
длина1990 мм
ширина1140 мм
высота340 мм
масса700 кг
нормативный документСерия 3.903 КЛ-14

КН-2  Каналы непроходные по Серии 3.903 КЛ-14.